상품 정보
상품 기본설명
해외배송상품
상품 상세설명
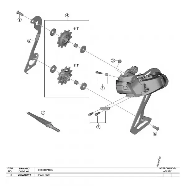
이 필수 예비 부품은 CUES RD-U6070 뒷 변속기의 손상되거나 마모된 이너 플레이트를 교체하도록 특별히 설계되어 변속기를 원래 공장 정밀도로 되돌립니다.
트레일에서 불행한 충격을 받았거나 수많은 모험 후 완전한 점검을 수행하든, 이 부품은 변속 시스템의 무결성과 수명을 유지하는 데 핵심입니다.
구부러지거나 손상된 케이지 플레이트로 인해 변속 품질이 저하되거나 체인 및 카세트에 추가 손상이 발생할 위험을 감수하지 마십시오.
이 정품 교체 부품은 완벽한 장착을 보장하고 SHIMANO에서 기대하는 완벽한 작동을 복원합니다.
혁신적인 SHIMANO CUES 생태계의 필수적인 부분으로 설계된 이 이너 케이지 플레이트는 LINKGLIDE 기술과 원활하게 작동하도록 최적화되었습니다.
마모된 부품을 이 정품 부품으로 교체하면 특히 e-바이크 및 공격적인 트레일 라이딩에서 흔히 발생하는 높은 페달링 토크에서도 변속기가 LINKGLIDE로 알려진 놀랍도록 부드럽고 안정적인 변속을 계속 제공합니다.
내구성과 부드러운 결합에 대한 이러한 집중은 페달 충격을 줄이고 전체 구동계의 수명을 연장하여 스마트하고 비용 효율적인 유지 관리 솔루션이 됩니다.
주요 이점: 원래 변속 성능 복원: 손상된 케이지로 인한 불량한 변속, 체인 소음 및 주저함을 제거합니다.
이 정품 부품은 카세트 전체에서 선명하고 안정적인 기어 변경에 필요한 정확한 형상을 복원합니다.
완벽한 호환성 및 장착: 정품 SHIMANO 예비 부품으로서 RD-U6070 뒷 변속기와의 완벽한 장착을 보장하여 추측을 없애고 간단하고 안전한 설치를 보장합니다.
비용 효율적인 구동계 유지 관리: 단일 핵심 부품을 교체하는 것이 전체 변속기를 교체하는 것보다 훨씬 경제적인 솔루션으로, 투자를 보호하고 변속기 수명을 연장합니다.
주요 특징: 품질과 성능을 보장하는 정품 SHIMANO 교체 부품.
SHIMANO CUES RD-U6070 뒷 변속기 전용으로 설계된 직접 교체품.
CUES U6000 시리즈의 정확한 공차를 유지하도록 설계되었습니다.
최적의 체인 안내를 위해 변속기 풀리 케이지의 구조적 무결성 및 정렬을 유지합니다.
상자 안 내용물: 1 x SHIMANO Cues RD-U6070 이너 케이지 플레이트 기술 사양: 브랜드: SHIMANO 시리즈: CUES U6000 시리즈 제품명: RD-U6070용 이너 케이지 플레이트 Shimano 부품 번호: Y3JS09000 카테고리: 예비 부품 서브 카테고리: 변속기 호환성: SHIMANO Cues RD-U6070 뒷 변속기 관련 기술: LINKGLIDE

사용후기
상품문의
배송정보
본 상품은 해외구매대행 상품으로 구매전 아래 공지내용을 반드시 확인하셔야 합니다!
해외구매대행이란?
해외구매대행 서비스란 해외브랜드에서 판매하는 상품을 유로레포츠에서 고객님을 대신해 상품을 구매하고 유럽현지항공사를 통해 배송을 대행하여 고객님께 전달하는 서비스입니다.
상품의 구매는 구매자의 권한과 책임이며 제품에 대한 하자에 대해서는 환불, 손해배상 등 법적인 책임을 물으실 수 없습니다. 단, 배상 및 환불을 위해 구매자 입장과 공급자의 의무로 협력할 책임만 가지고 있습니다.
유로레포츠는 해외구매대행 서비스를 제공하는 해외현지 딜러판매점을 통해 공급되며, 실제 재고는 유로레포츠가 아닌 해외현지 각 딜러점 공급점에서 보유하고 있습니다.
해외현지 공급판매점의 재고는 실시간으로 변동되며 주문 접수 후 오더 과정에서 상품의 품절 등이 발생할 수 있고 공급판매점의 가격 변동, 환율 변동 등에 따라 가격이 실시간으로 변동될 수 있습니다.
해외 구매대행의 경우 환불 및 교환, A/S가 어려우며 해외현지 공급판매점의 달러가, 환율 변동에 의한 가격이 변동될 수 있으므로 구매 시 신중한 구매 바랍니다.
구매전 필독주의사항
1. 유로레포츠에서 공급되는 상품은 해외구매대행 상품으로 유로레포츠에서는 고객님께서 주문을 넣어주시면 유로레포츠에서는 실시간으로 해당 주문상품의 해외현지 공급판매점사에 주문을 진행하고 있습니다.
1) 해외현지 공급판매점내 오더가 완료이후 출고준비중(주문상품 패킹이 완료후 현지 내륙운송사 인계직전단계)단계에서는 사이즈 변경 및 취소가 어려울수 있으므로 구매전 신중한 구매 해주시길 바랍니다.
2) 구매전 사이즈 확인이 어려우신 경우 구매를 희망하시는 제조사 공식 홈페이지내 사이즈차틀 통해 사전확인해주셔야 하며, 구매자 입장에서 확인이 어려운 경우 고객센터를 통해 확인요청시 해당 제조사 사이트 URL 별도 안내드립니다.
3) 해외현지 공급판매점 주문은 고객센터 영업시간 외에도 365일 휴무없이 진행되오니 특히 국내 주말, 공휴일 주문은 신중하셔야 합니다.
단, 해외현지 공급판매점에 오더가 들어가기 전 전화 요청으로 인한 주문 변경 외에는 주문하신 그대로 주문이 진행되며 대부분 주문접수시간 30분이내 주문처리됩니다.
주문 상담이 필요한 경우 평일 CS 업무시간에 반드시 궁금하신 부분에 대한 상담 후 의사결정시 주문하셔야 합니다.
2. 해외현지 공급판매점의 세일 및 환율 변동 등으로 인해 가격은 변동될 수 있으며 주문 후 가격 변동으로 인한 차액은 보상되지 않습니다.
간혹 해외현지 공급판매점의 사정으로 특정기간 프로모션 할인 및 세일이 조기종료될 수 있으며 이 경우 가격변동으로 인하여 구매가 진행되지 않을 수 있습니다.
구매가 불가한 경우 고객센터에서 별도 유선안내드립니다.
3. 타 사이트에서 주문하신 주문 건과(동일 국가주문건 해당) 같은 날 세관 통관이 될 경우 관부가세 및 합산과세가 부과될 수 있습니다.
4. 무통장 입금 시 입금자명 및 입금 금액이 다른 경우 실시간 입금확인이 되지 않습니다.
입금자명과 입금 금액이 다른 경우, 입금확인이 늦어지는 경우 주문상품의 세일 및 환율 변동 등으로 인해 구매가 진행되지 않을 수 있습니다.
교환/반품
주문취소/교환/반품안내
유로레포츠내 공급되는 모든 상품은 해외 구매대행 쇼핑몰로 국내재고를 보유하고 있지 않으며 고객님께서 주문을 넣어주시면 실시간 당일 구매를 원칙으로 해외 공급판매점에 실시간으로 오더를 넣고 있습니다.
따라서 주문을 넣어주신 후에는 취소 및 주문서 수정이 어려우며 재고를 보유하고 있지 않기 때문에 직접적인 교환 서비스는 일체 불가능합니다.
해외 공급판매점에 오더가 들어간 후 주문 취소나 변경을 원하시는 경우 원칙적으로는 반품 후 다시 재구매를 해주셔야 하나 CS센터를 통해 유선처리된건은 별도 안내후 오더진행됩니다.
만약 사이즈 변경 및 구매취소를 원하시는 경우 현지 주문 상태(현지출고전)에 따라 취소나 변경이 가능하실 수 있으니 취소를 원하시는 경우에는 최대한 빨리 고객센터에 문의 부탁드립니다.
특히, 공휴일이나 고객센터가 휴무일 때는 취소나 변경이 어려우므로 신중한 구매 부탁드립니다.
유로레포츠에서 공급되는 상품은 유럽내 이태리, 스페인, 네델란드, 독일 국가의 판매대리점을 통해 딜러점 할인 공급가격으로 공급되며 현지 공급판매점내 재고보유중으로 대부분 주문당일 현지 영업시간중 출고처리됩니다.
반품안내(중요 필독)
1. 해외현지 공급판매점에 오더가 들어가고 출고이후 반품요청시
- 현지 내륙운송 리턴비용 발생됩니다.
- 리턴비는 브랜드, 상품크기별로 다르며 통상 12유로~15유로 발생됩니다.
- 의류의 경우 자켓제외, 일반 슈즈등: 12유로
- 자켓 및 부피가 큰 경우, 등산화, 배낭등: 15유로
2. 해외현지 항공사 물류센터에서 출고된 후 반품할 경우.
- 항공배송중에는 어떠한 경우에도(분실확인시 예외) 중도 반품이 불가합니다.
국내도착이후 별도 반품진행됩니다. (유럽현지 공급판매점으로의 리턴하는 배송비+국제항공운송료+국내 회수 택배비가 발생합니다.)
- 국내에서 반품상품 항공발송시 많은 비용이 발생되며 반품 상품의 실제중량(패킹포장포함중량) 또는 부피무게(가로*세로*높이)에 따라 항공배송비용이 발생됩니다.
EX) 여름용 반팔티셔츠- 47,500원 내외
일반 운동화, 런닝화-70,000원~140,000만원 내외
일반 운동화보다 부피가 큰 등산화등-100,000원~250,000만원 내외
자켓, 팬츠등 부피에 따라-70,000원~190,000원 내외
배낭 20리터 이내- 80,000원~150,000원 내외
배낭 20리터 이상- 90,000원-200,000원 내외
기타 품목 실제 패킹크기에 따라 상이하며 아래 DHL 반품비용 사전 확인방법 참고.
- 일반 EMS 해외발송은 유럽현지 국가 세관의 강제 반송처리 사례가 있어 DHL 반품으로 진행됩니다.
- 또한 반품이 가능한 경우에만 반품진행이 가능하며, 반품이 불가능한 사유에 해당할 경우 반품이 되지 않습니다.(하단 내용 참고)
* DHL 반품비용 사전 확인방법 안내
[국내->유럽현지 반품 항공배송비용 확인방법 안내]
1. https://mydhl.express.dhl/kr/ko/home.html?cid=logistics.dhl_portal#/getQuoteTab
위 url 접속 또는 구글검색창에 “마이디에이치엘” 검색후 초기 메인 화면에서 “요금산출하기” 클릭
2. 발송인국가 - 대한민국 입력
수취인국가 - 스페인 또는 이태리 입력 -> 다음단계 이동
3. 발송인 정보 입력(유로레포츠내 주소입력)
수취인 정보 입력(고객센터 연락을 통해 해당 딜러점 반품주소지 확인후 입력)
* 수취인 반품 주소지는 유로레포츠내 공급딜러점이 20곳 이상으로 사전 주소안내가 어려우니 고객센터를 통해 현지 명확한 주소지 안내받으신후 입력하시면 됩니다.
4. 서류, 화물 선택란중 “화물” 선택후 이동
5. 수령받으신 상품의 중량 및 크기입력(패킹포함) 가로*세로*높이 -> 입력후 “요금산출”
6. 해외 발송요금 확인후 동의하시는 경우 유로레포츠내 고객센터로 반품요청하시면 반품절차 진행됩니다.
* 해외구매상품 구매시 국내와 달리 많은 비용이 발생되기에 구매전 신중한 의사결정후 최종 의사결정하셔야 하며, 궁금하신 부분은 반드시 구매전 고객센터를 통해 확인후 구매하셔야 하오니 반드시 유념하셔야 합니다.
반품시 유의사항(필독)
해외배송상품의 반품의 경우 사전 현지판매점내 확인이 필요하며, 반드시 임의 반송이 불가하여 사전 공급처를 통해 “리턴인보이스”를 요청한후 반품이 진행됩니다.
따라서 현지 확인 및 국내반품처리과정에 일정기간이 소요되기에 상품을 수령받으신후 변심에 의한 반품시는 수령일자로부터 1주일 이내 반품요청주셔야 합니다. 기간내에 반품 접수가 되지 않은 상품은 해당 사유로 인하여 반품이 어렵습니다.
반품 접수를 원하시는 경우 반드시 사전에 유로레포츠 고객센터로 연락주셔야합니다.
영업시간 외에 반품을 요청하시는 경우 익영업일 기준으로 처리가 됩니다.
상품의 오배송/하자 등의 사유로 반품 진행을 하시려는 경우에는 수령 후 24시간 이내에 아래 항목을 사진촬영후 CS센터 연락처로 문자전송후 현지 확인을거쳐 처리됩니다.
1. 24시간을 안내드린 이유는 오배송/하자(파손, 불량) 상품도착시 모든 배송과정 이력은 송장번호를통해 현지에서도 확인가능하기에 오해를 방지하고자 반드시 지켜주셔야 합니다.
2. 실제 모든 상품은 수령받으신 상품패킹 겉면에 “REMOVABLE LABEL(바코드, 영상이력 ID숫자표기) 스티커가 부착되어 있어 주문상품의 패킹전 검수과정을 현지에서 영상기록으로 관리되고 있습니다.
3. 반품요청시 첨부이미지 안내
1) 도착된 상품 전체이미지
- 수령받으신 상품은 바닥에 높으신후 “위->아래 방면으로 상품 전체가 보이도록 촬영”
2) 주문상품 패킹외부 “상품고유라벨스티커 근접촬영(상품명, 컬러명, 바코드등 상품정보표기부분”
3) 상품패킹 겉면에 “REMOVABLE LABEL” 스티커 근접 촬영
4) 오배송 또는 파손을 증명하는 부분 이미지 여러 각도에서 최소 3장이상 촬영
5) 상품내부 라벨 근접촬영(의류의 경우-내부 라벨, 신발의 경우-내부 사이즈표기 부분)
* 위의 안내드린 항목을 촬영하시어 고객센터 연락처로 주문자명 기재후 간략한 설명과 함께 문자 첨부주시면 고객님의 반품 접수 사항을 바탕으로 해당 해외현지 공급판매점에 신속히 클레임 진행 후 현지 확인을 거쳐 별도 유선안내드린후 반품요청이 결정됩니다.
반품이 가능한 경우 (무상)
고객센터 접수 된 상품 중 수령 후 7일 이내에 반품이 불가능한 사유와 겹치지 않으면서 아래의 사유에 해당하는 상품에 대해서만 무상 반품 및 환불이 가능합니다.
1. 배송 시 상품이 파손 및 유실된 경우
2. 주문한 상품과 다른 상품이 배송된 경우 (브랜드의 사정에 의해 초기 출시된이후 상품 디자인 및 일부 부분의 색상이 변경될 수 있으며 이 경우는 유상으로 처리됩니다)
반품이 가능한 경우 (유상)
고객센터 접수 된 상품 중 수령 후 7일 이내에 반품이 불가능한 사유와 겹치지 않으면서 아래의 사유에 해당하는 상품에 대해서만 반품 및 환불이 가능합니다.
1. 단순 변심 (색상/사이즈를 잘못 선택한 경우, 상품 디테일을 확인하지 않은 경우, 상품이 마음에 들지 않을 경우)
2. 해외 브랜드사에서 제공한 이미지의 색상이 모니터 해상도 등에 따라 차이가 있어 제품 색상이 다른 경우
* 제품의 실제 이미지는 촬영시 대부분 주변에 밝은 조명아래에서 촬영되기에 실제 상품은 상페 이미지 색상보다는 대부분 조금더 어둡습니다.
3. 제품 소재의 특성상 올이 나간 것처럼 보이거나 실이 뭉쳐있는 것처럼 보이는 경우(마, 리넨 소재)
4. 왁싱 및 염색 처리가 제공된 이미지와 달라 보이는 경우
5. 제공된 이미지와 로고, 단추, 포니의 색상과 모양이 다른 경우
6. 제품의 미세한 스크래치나 가죽의 결이 고르지 않은 경우
7. 배송 중 옷걸이에 눌려 이염처럼 보이는 경우, 백태 현상의 경우
8. 빈티지 제품의 특성상 오염 혹은 하자로 보이는 경우
9. 해당 브랜드사에서 예고 없이 상품의 디자인과 색상을 변경한 경우
10. 상세설명내 제조사 안내문 미숙지의 경우
* 궁금하신 부분은 반드시 사전 고객센터를 통해 사전확인후 구매의사 결정하셔야 하며, 개인적인 임의판단을 주장하시는 경우.
반품이 불가능한 경우
반품이 가능한 사유에 해당하더라도 아래 사유가 겹치면 반품이 불가능합니다.
1. 상품을 수령한 날짜로부터 7일이 지난 경우
2. 수령받은 상품 임의 훼손의 경우(실제 적발사례 있으며 심각한 법적책임을 물을수 있음)
3. 상품 훼손, 세탁 및 사용한 흔적이 있거나 상품 TAG, 라벨, 비닐 포장 등 브랜드사에서 제공하는 고유내용물이 분실되거나 손상된 경우.(현지 반품후 재판매 불가하기에 불가함)
4. 신발의 경우 신발 박스가 훼손되거나 없는 경우 (신발 박스에 운송장을 붙일 경우 박스가 훼손된 것으로 판단되어 반품이 불가능합니다.)
* 단, 도착당시 고유패킹이 훼손된 경우 제외(일부 찌그러짐, 찢김)
유로레포츠에서 공급되는 상품은 유럽현지 딜러점을 통해 공급되는 해외 구매대행 상품입니다. 구매(수입) 주체는 고객님이며, 유로레포츠는 구매대행 업체입니다.
따라서 일반적인 쇼핑몰과 달리 그 책임이 제한적임을 안내드립니다.
A/S 관련 안내
해외구매대행 상품은 구매대행 서비스로 제조사 및 판매처와 연계되어있지 않아 A/S가 불가능합니다.
따라서 고객님께서 사용하시면서 발생한 파손에 대해서는 A/S나 반품 및 환불이 불가능합니다.